 
                 
                 
                | 仕切価格 | ― | 
|---|---|
| 標準価格 | \77,800 | 
| 注文単位 | 1個 | 
|---|
※10/30 23:30 時点の情報です
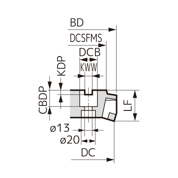
| 用途 | ●平面削り用。 | 
|---|---|
| 商品説明 | ― | 
| 商品スペック | 
 | 
| 注意事項 | 
 | 
| 内容品・付属品 | ●ロケータ:GL40R●ロケータ押え金:GLW40R●インサート押え金:GTW40R●ダブルねじ:WB8-22T(サイズ:M8、8.0N・m)●レンチ:TT27 | 
| 原産国 | ― | 
| 特記事項 | ― |