日進工具(株)

硬脆材加工用スクエアエンドミル DCMS 0.3X1.2

  • 型番:DCMS 0.3X1.2
  • 発注コード:IGI85
  • メーカー商品コード:05-00100-03012
  • JANコード:4571220545276
商品一覧へ
(サイズ・色違いなど)

仕切価格
標準価格 \33,800
 
注文単位 1個
  • ※12/16 23:30 時点の情報です


用途 ●平面加工
商品説明
  • 超硬合金やセラミックス等の硬くて脆い材料の直彫り加工が可能。
  • 密着性の高いダイヤモンドコーティングの採用により長時間加工が可能。
商品スペック
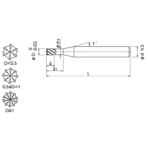
  • シャンク径(mm):4
  • ねじれ角(°):30
  • 外径(mm):0.3
  • 首下径d2(mm):0.28
  • 首下長l1(mm):1.2
  • 刃数(枚):6
  • 刃長(mm):0.15
  • 首角(γ):12°
  • 全長(mm):45
  • 表面処理:ダイヤモンドコーティング
  • 材質:超微粒子超硬合金
  • 被削材:硬脆材
注意事項
内容品・付属品
原産国 日本
特記事項

この商品を見た人はこちらの商品も見ています