住友電気工業(株)

SEC-スミデュアルミル カッタ DGC13040RS

  • 型番:DGC13040RS
  • 発注コード:IFT46
  • メーカー商品コード:2200AFJ
  • JANコード:―
商品一覧へ
(サイズ・色違いなど)

仕切価格
標準価格 ¥50,700
 
注文単位 1個
  • ※3/16 23:30 時点の情報です


用途 ●平面削り用
商品説明
商品スペック
  • 商品タイプ:標準ピッチ
  • 規格:メトリック
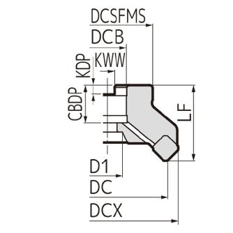
  • 型式記号:DGC
  • 内接円IC(mm):13.5
  • インサート内接円サイズ記号:13
  • 勝手[記号]:右[R]
  • カッタ径記号:040
  • すくい角(°):-10(半径方向)・-5(軸方向)
  • ボスDCSFMS(mm):36
  • ボルトD1(mm):13.5
  • 穴径DCB(mm):16
  • 溝深さKDP(mm):5.6
  • 溝幅KWW(mm):8.4
  • 最大切込み量(mm):6(3)
  • 取付け方式記号:S
  • 取付深さCBDP(mm):18
  • 刃径(mm):40
  • 最大刃径DCX(mm):54
  • 刃数(枚):3
  • 切込み角(°):45
  • 全長(mm):40(38.44)
  • 重量(kg):0.3
  • 適用インサート:SN□T 13T6AN□R-□/□□、XNEU 13T6ANEN-W、ON□T 05T6ANER-□
  • 適用加工:溝削り○/平面汎用◎
  • 被削材:P(一般鋼◎/炭素鋼◎/合金鋼◎/調質鋼・ダイス鋼◎)・M(ステンレス鋼◎)・K(鋳鉄◎/ダクタイル鋳鉄◎)・N(CFRP◎/グラファイト◎/銅合金◎)・S(Ti合金○/耐熱合金○)
  • エンドミル適用加工:平面◎
  • Fig:1
注意事項
  • ( )内はONMT/ONET型インサート装着時の数値になります。
  • 本体にインサートは組み込んでありません。
内容品・付属品 ●敷板:DGCS13R●敷板用ねじ:BW0609F●レンチ:LH040●インサート用ねじ:BFTX0412IP(3.0N・m)●レンチ:TRDR15IP●焼付防止剤:SUMI-P
原産国
特記事項

この商品を見た人はこちらの商品も見ています