住友電気工業(株)

SEC-ウェーブミル カッタ WGXM13080R

  • 型番:WGXM13080R
  • 発注コード:IFS63
  • メーカー商品コード:2200AJF
  • JANコード:―
商品一覧へ
(サイズ・色違いなど)

仕切価格
標準価格 ¥78,600
 
注文単位 1個
  • ※3/19 23:30 時点の情報です


用途 ●平面削り用
商品説明
商品スペック
  • 商品タイプ:ファインピッチ
  • 規格:インチ
  • 型式記号:WGX
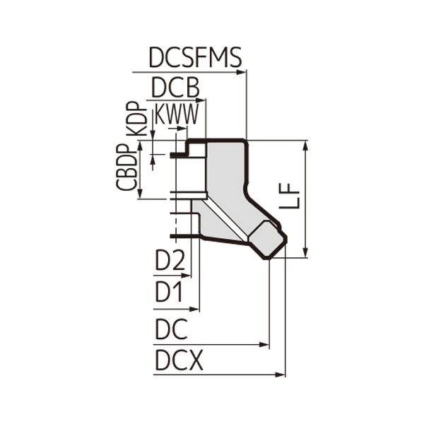
  • 内接円IC(mm):13.5
  • インサート内接円サイズ記号:13
  • 勝手[記号]:右[R]
  • カッタ径記号:080
  • すくい角(°):-20~-24(半径方向)・20~22(軸方向)
  • ボスDCSFMS(mm):60
  • ボルトD1(mm):20
  • ボルトD2(mm):13
  • 穴径DCB(mm):25.4
  • 溝深さKDP(mm):6
  • 溝幅KWW(mm):9.5
  • 最大切込み量(mm):6
  • 取付深さCBDP(mm):25
  • 刃径(mm):80
  • 最大刃径DCX(mm):93
  • 刃数(枚):6
  • 切込み角(°):45
  • 高さLF(mm):50
  • 付加記号:M
  • 重量(kg):1.1
  • 適用インサート:SE□T 13T3AG□R-□/□□、XEEW 13T3AGER-WR
  • 適用加工:溝削り○/平面仕上げ◎/平面汎用◎
  • 被削材:P(一般鋼◎/炭素鋼◎/合金鋼◎/調質鋼・ダイス鋼◎)・M(ステンレス鋼◎)・K(鋳鉄◎/ダクタイル鋳鉄◎)・N(CFRP◎/グラファイト◎/銅合金◎)・S(Ti合金○/耐熱合金◎)
  • エンドミル適用加工:平面◎
  • Fig:1
注意事項
  • 本体にインサートは組み込んでありません。
  • カッタを選択する際、保持具取付サイズ(DCB)をご確認ください。
  • 本体のアーバへの締付けには、JIS B1176「六角穴付きボルト」(M12×30~35mm)をご使用ください。
内容品・付属品 ●敷板:WGCS13R●敷板用ねじ:BW0507F●インサート用ねじ:BFTX03512IP(3.0N・m)●レンチ:TRDR15IP●レンチ(敷板用):LH035●焼付防止剤:SUMI-P
原産国
特記事項

この商品を見た人はこちらの商品も見ています