 
                 
                 
                | 仕切価格 | ― | 
|---|---|
| 標準価格 | \84,500 | 
| 注文単位 | 1個 | 
|---|
※10/31 23:30 時点の情報です
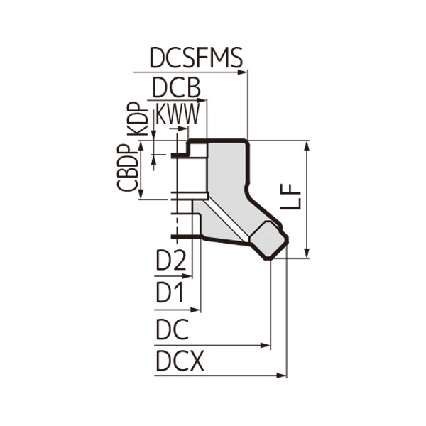
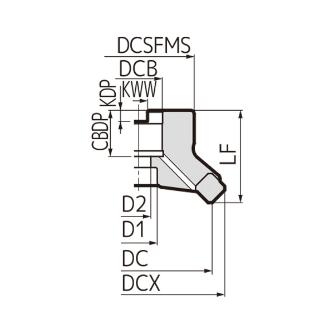
| 用途 | ●平面削り用。 | 
|---|---|
| 商品説明 | ― | 
| 商品スペック | 
 | 
| 注意事項 | 
 | 
| 内容品・付属品 | ●敷板:WGCS13R●敷板用ねじ:BW0507F●インサート用ねじ:BFTX03512IP(3.0N・m)●レンチ:TRDR15IP●レンチ(敷板用):LH035●焼付防止剤:SUMI-P | 
| 原産国 | ― | 
| 特記事項 | ― |