住友電気工業(株)

SEC-ウェーブミル エンドミル WGX13032EW

  • 型番:WGX13032EW
  • 発注コード:IFS36
  • メーカー商品コード:2900743
  • JANコード:―
商品一覧へ
(サイズ・色違いなど)

仕切価格
標準価格 \45,900
 
注文単位 1個
  • ※12/16 23:30 時点の情報です

※1/1に下記価格に改定予定です

仕切価格
標準価格 \48,200

用途 ●平面削り用
商品説明
商品スペック
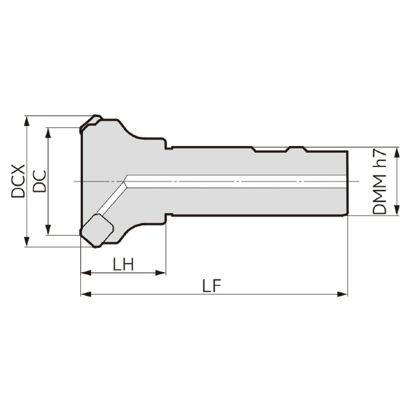
  • 商品タイプ:柄付きタイプ
  • 型式記号:WGX
  • インサートサイズ:13
  • シャンクDMM(mm):32
  • シャンクLS(mm):85
  • すくい角(°):-20~-24(半径方向)・20~22(軸方向)
  • 最大切込み量(mm):6
  • 刃径(mm):32
  • 最大刃径DCX(mm):44
  • 刃数(枚):3
  • 切込み角(°):45
  • 全長(mm):125
  • 頭部LH(mm):40
  • 適用インサート:SE□T 13T3AG□R-□/□□、XEEW 13T3AGER-WR
  • 適用加工:溝削り○/平面仕上げ◎/平面汎用◎
  • 被削材:P(一般鋼◎/炭素鋼◎/合金鋼◎/調質鋼・ダイス鋼◎)・M(ステンレス鋼◎)・K(鋳鉄◎/ダクタイル鋳鉄◎)・N(CFRP◎/グラファイト◎/銅合金◎)・S(Ti合金○/耐熱合金◎)
  • エンドミル適用加工:平面◎
  • Fig:1
注意事項
  • 本体にインサートは組み込んでありません。
内容品・付属品 ●インサート用ねじ:BFTX03512IP(3.0N・m)●レンチ:TRDR15IP●焼付防止剤:SUMI-P
原産国
特記事項

この商品を見た人はこちらの商品も見ています