住友電気工業(株)

SEC-ウェーブミル ヘッド WEZ11040M16Z4

  • 型番:WEZ11040M16Z4
  • 発注コード:I7I74
  • メーカー商品コード:2900AGM
  • JANコード:―
商品一覧へ
(サイズ・色違いなど)

仕切価格
標準価格 \65,200
 
注文単位 1個
  • ※10/31 23:30 時点の情報です


用途 ●被削材:鋼、ステンレス鋼、鋳鉄、耐熱合金、チタン合金、高硬度材、非鉄金属。<br>平面削り、隅削り、側面加工、溝加工、穴拡げ加工、傾斜加工、ヘリカル加工、プランジ加工
商品説明
  • 精緻を極めた”万能”カッタ。さまざまな加工に対応。
  • 優れた加工品位:刃先形状の最適設計と高精度造形技術の組み合わせにより、優れた壁面精度と仕上げ面品位を実現。
  • 低抵抗で優れた切れ味:加工音の低減とバリの発生を抑制。切れ味を追求した研摩級インサートもラインアップ。
  • あらゆる被削材に適用可能な汎用材種:鋼、ステンレス鋼、鋳鉄に適用可能な新材種ACU2500が登場。広範な分野の加工に対応。
  • 傾斜加工・ヘリカル加工・プランジ加工に対応.様々なアプリケーションへ適用可能!
商品スペック
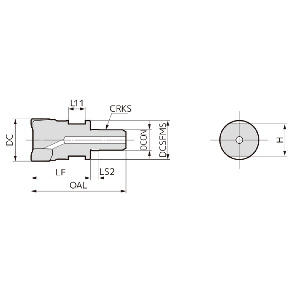
  • すくい角(°):-7~-18(半径方向)・6~15(軸方向)
  • 切込み角(°):90
  • 最大切込み量(mm):10
  • 刃径(mm):40
  • ボスDCSFMS(mm):28.5
  • シャンク径(mm):17
  • ねじCRKS:M16
  • 全長OAL(mm):63(62.7)
  • 機能長(mm):40(39.7)
  • 長さLS2(mm):5
  • 平取L11(mm):10
  • 幅H(mm):24
  • 刃数(枚):4
  • Fig:1
  • 重量(kg):0.26
  • 適用加工・平面汎用:◎ 最適
  • 適用加工・平面仕上げ:◎ 最適
  • 適用加工・彫り込み:◎ 最適
  • 適用加工・溝削り:◎ 最適
  • 適用加工・傾斜:◎ 最適
  • 適用被削材・P_一般鋼:◎ 最適
  • 適用被削材・P_炭素鋼:◎ 最適
  • 適用被削材・P_合金鋼:◎ 最適
  • 適用被削材・P_調質鋼・ダイス鋼:◎ 最適
  • 適用被削材・M_ステンレス鋼:◎ 最適
  • 適用被削材・K_鋳鉄:◎ 最適
  • 適用被削材・K_ダクタイル鋳鉄:◎ 最適
  • 適用被削材・N_銅合金:◎ 最適
  • 適用被削材・N_アルミニウム合金:◎ 最適
  • 適用被削材・S_Ti合金:◎ 最適
  • 適用被削材・H_高硬度鋼45~55HRC:◎ 最適
  • エンドミル適用加工・平面:◎
  • エンドミル適用加工・隅削り:◎
  • エンドミル適用加工・溝:◎
  • エンドミル適用加工・傾斜:◎
  • エンドミル適用加工・倣い:◎
  • エンドミル適用加工・側面:◎
  • エンドミル適用加工・プランジ:◎
  • エンドミル適用加工・ヘリカル:◎
  • 部品・皿ねじ:BFTX0306IP
  • 部品・皿ねじ(N・m):1.5
  • 部品・レンチ:TRDR08IP
  • 部品・焼付防止剤:SUMI-P
注意事項
  • 本体にインサートは組み込んでありません。
  • OAL、LFの( )内寸法は、RE=3.0/3.2のインサートを使用時の寸法です。RE=3.0/3.2のインサート使用時は最大切込み9.5mmとなります。
内容品・付属品
原産国
特記事項

この商品を見た人はこちらの商品も見ています