住友電気工業(株)

アルミニウム合金用高能率カッタ SRF63R

  • 型番:SRF63R
  • 発注コード:HYU15
  • メーカー商品コード:2S00018
  • JANコード:―
商品一覧へ
(サイズ・色違いなど)

仕切価格
標準価格 ¥144,000
 
注文単位 1個
  • ※3/16 23:30 時点の情報です


用途 ●非鉄金属用
商品説明
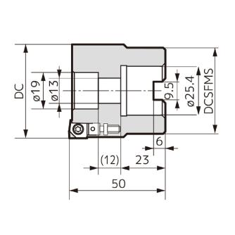
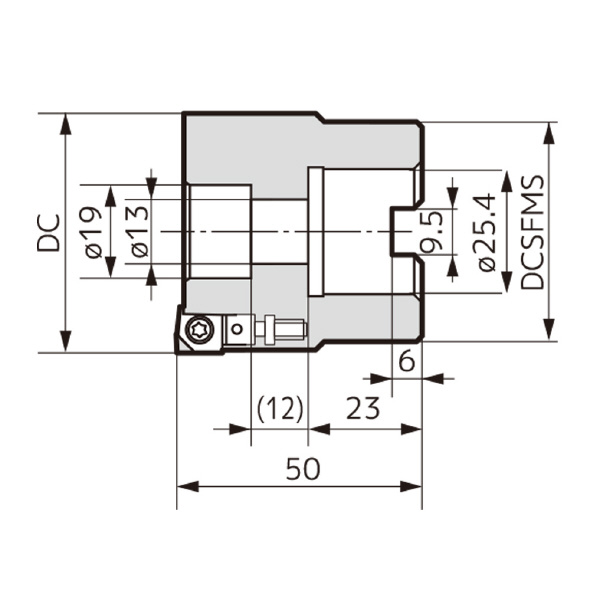
商品スペック
  • 規格:インチ
  • すくい角(°):-2~4(半径方向)・6(軸方向)
  • ボスDCSFMS(mm):45.0
  • 最大切込み量(mm):5
  • 刃径(mm):63
  • 刃数(枚):6
  • 切込み角(°):90
  • 重量(kg):0.67
  • 適用インサート:NF-SNEW 09T3ADTR/09T3ADTR-□
  • 適用加工:肩削り○/彫り込み○/平面仕上げ◎/平面汎用◎
  • 被削材:N(CFRP○/グラファイト○/銅合金○)
  • エンドミル適用加工:隅削り◎/平面◎
  • Fig:4
注意事項
  • 本体にインサートは組み込んでありません。
  • アーバへの締付けには、六角穴付きボルト(JIS B1176)M12×30~35mmをご使用ください。
内容品・付属品 ●皿ねじ:BFTX0409N(4.0N・m)●調整ねじ:SRFJ●レンチ:TH015、TTX15W
原産国
特記事項

この商品を見た人はこちらの商品も見ています