三菱マテリアル(株)

カッタ 肩削り用(アーバタイプ) VOX400R08010C

  • 型番:VOX400R08010C
  • 発注コード:HWY15
  • メーカー商品コード:VOX400R08010C
  • JANコード:―
商品一覧へ
(サイズ・色違いなど)

仕切価格
標準価格 \136,000
 
注文単位 1個
  • ※12/15 23:30 時点の情報です


用途
商品説明
  • インサートを縦置きに配置し、極めて高い剛性を実現。
  • 8コーナの使用が可能で経済的。
  • 「凸曲線切れ刃」&「ねじれ逃げ面」より、良好な切れ味と驚異的な耐欠損性を発揮。
商品スペック
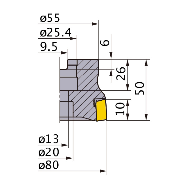
  • 刃径(mm):80
  • 最大切込み量(mm):10
  • 機能長(mm):50
  • 切込み角(°):90
  • すくい角(°):-18(半径方向)・-6(軸方向)
  • 勝手[記号]:右[R]
  • 刃数(枚):10(外周)
  • 接続径(mm):25.4
  • 質量WT:1
  • L8:6
  • アクセス穴径 (ボルト穴径)DAH:13
  • キー溝幅KWW:9.5
  • 取付けボルト座径DCCB:20
  • 取付け穴深さCBDP:26
  • 接触面の径, フランジ径DCSFMS:55
  • 長さ単位:M
注意事項
  • 実際の製品と画像(代表例)は異なる場合がございます。詳しくは寸法をご確認ください。
内容品・付属品
原産国
特記事項

この商品を見た人はこちらの商品も見ています