住友電気工業(株)

SEC-溝入れバイト インサート SSHRR14220 AC1030U

  • 型番:SSHRR14220 AC1030U
  • 発注コード:GQ416
  • メーカー商品コード:1TR4041
  • JANコード:―
商品一覧へ
(サイズ・色違いなど)

仕切価格
標準価格 \5,550
 
注文単位 5個
  • ※12/17 23:30 時点の情報です

※1/1に下記価格に改定予定です

仕切価格
標準価格 \5,940

用途 ●R溝/倣い
商品説明
商品スペック
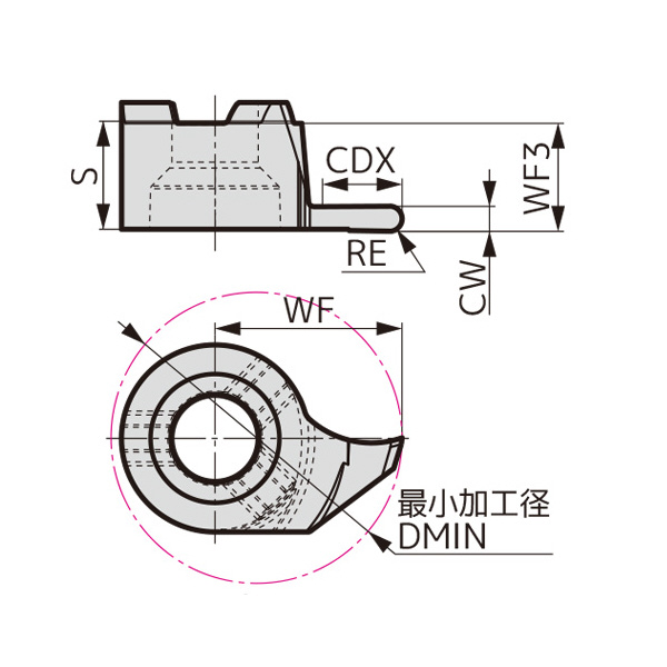
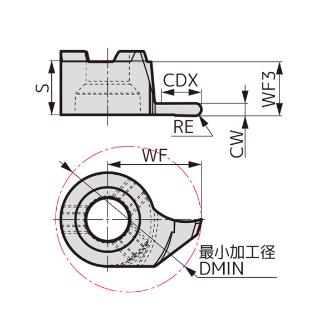
  • インサート厚さ[記号](mm):5.1
  • コーナー半径[記号](mm):1.1
  • 最大溝深さCDX(mm):4.0
  • 勝手[記号]:右[R]
  • 刃先距離WF(mm):9.0
  • 刃先距離WF3(mm):5.3
  • 刃幅CW(mm):2.20
  • コーティング:AC1030U
  • 適用バイト:E12□-SSHMN○○○-14、E16□-SSHMN○○○-14
  • Fig:1
注意事項
  • 最小加工径DMINの寸法は14サイズ:14mmとなります。
内容品・付属品
原産国
特記事項

この商品を見た人はこちらの商品も見ています