三菱マテリアル(株)

プランジミル PMR406304A22R

  • 型番:PMR406304A22R
  • 発注コード:GFD06
  • メーカー商品コード:PMR406304A22R
  • JANコード:―
商品一覧へ
(サイズ・色違いなど)

仕切価格
標準価格 \72,000
 
注文単位 1個
  • ※12/16 23:30 時点の情報です


用途
商品説明
  • 凸曲切刃採用におり切れ味と強度を両立。
  • 超硬シート、インサート飛散防止機構付き。
  • 上下往復加工による高能率な加工が可能です。
  • 突き加工を中心とする多機能形。
  • 高強度本体。
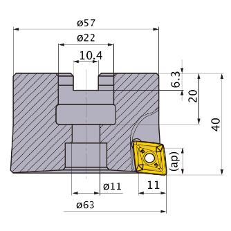
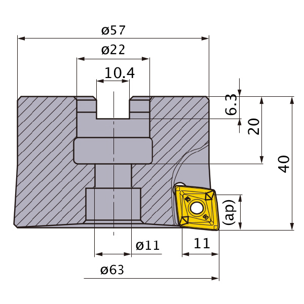
商品スペック
  • 最大切込み量(mm):11
  • 刃径(mm):63
  • 接続径(mm):22
  • 刃数(枚):4・4(外周)
  • 勝手:右[R]
  • 長さ単位:M
  • L8:6.3
  • アクセス穴径 (ボルト穴径)DAH:11
  • キー溝幅KWW:10.4
  • 機能長さLF:40
  • 径方向すくい角GAMF(°):-6
  • 軸方向すくい角GAMP(°):+5
  • 取付け穴深さCBDP:20
  • 接触面の径, フランジ径DCSFMS:57
注意事項
  • 実際の製品と画像(代表例)は異なる場合がございます。詳しくは寸法をご確認ください。
内容品・付属品
原産国
特記事項

この商品を見た人はこちらの商品も見ています