三菱マテリアル(株)

カッタ 多機能用(アーバタイプ) OCTACUT1608FR

  • 型番:OCTACUT1608FR
  • 発注コード:GEW28
  • メーカー商品コード:OCTACUT1608FR
  • JANコード:―
商品一覧へ
(サイズ・色違いなど)

仕切価格
標準価格 \99,100
 
注文単位 1個
  • ※12/16 23:30 時点の情報です


用途
商品説明
  • 小形インサート形。
  • 多機能形フライス。
  • 標準インサート形・
  • 標準インサート形。
  • 切れ刃数8コーナーインサートと丸形インサートの共用形。
  • 多彩な加工に対応。
商品スペック
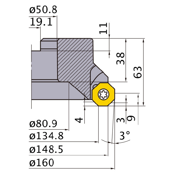
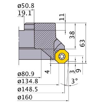
  • 刃径(mm):148.5・160(最大)
  • 最大切込み量(mm):9
  • 機能長(mm):63
  • 切込み角(°):42
  • すくい角(°):-4(半径方向)・13(軸方向)
  • 勝手[記号]:右[R]
  • 刃数(枚):8(外周)
  • 接続径(mm):50.8
  • 質量WT:3.6
  • 最大切削内径DCINX:134.8
  • A1:3
  • L8:11
  • キー溝幅KWW:19.1
  • 最大プランジ切込みAZ:4
  • 最大ランピング角RMPX:1.66
  • 取付けボルト座径DCCB:88.7
  • 取付けボルト座厚さLCCB:23.96
  • 取付け穴深さCBDP:38
  • 接触面の径, フランジ径DCSFMS:120
  • 長さ単位:M
注意事項
  • 実際の製品と画像(代表例)は異なる場合がございます。詳しくは寸法をご確認ください。
内容品・付属品
原産国
特記事項

この商品を見た人はこちらの商品も見ています