三菱マテリアル(株)

カッタ 多機能用(アーバタイプ) OCTACUT0805CRB

  • 型番:OCTACUT0805CRB
  • 発注コード:GEW25
  • メーカー商品コード:OCTACUT0805CRB
  • JANコード:―
商品一覧へ
(サイズ・色違いなど)

仕切価格
標準価格 \62,500
 
注文単位 1個
  • ※12/16 23:30 時点の情報です


用途
商品説明
  • 小形インサート形。
  • 多機能形フライス。
  • 標準インサート形・
  • 標準インサート形。
  • 切れ刃数8コーナーインサートと丸形インサートの共用形。
  • 多彩な加工に対応。
商品スペック
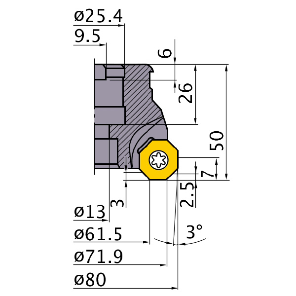
  • 刃径(mm):71.9・80(最大)
  • 最大切込み量(mm):7
  • 機能長(mm):50
  • 切込み角(°):42
  • すくい角(°):-4(半径方向)・13(軸方向)
  • 勝手[記号]:右[R]
  • 刃数(枚):5(外周)
  • 接続径(mm):25.4
  • 質量WT:1.2
  • 最大切削内径DCINX:61.5
  • A1:2.5
  • L8:6
  • アクセス穴径 (ボルト穴径)DAH:13
  • キー溝幅KWW:9.5
  • 最大プランジ切込みAZ:3
  • 最大ランピング角RMPX:2.7
  • 取付けボルト座径DCCB:20
  • 取付けボルト座厚さLCCB:17.03
  • 取付け穴深さCBDP:26
  • 接触面の径, フランジ径DCSFMS:53
  • 長さ単位:M
注意事項
  • 実際の製品と画像(代表例)は異なる場合がございます。詳しくは寸法をご確認ください。
内容品・付属品
原産国
特記事項

この商品を見た人はこちらの商品も見ています