(株)ナベヤ

マイクロバイス付ツーリングブロック TBMCZ40L30PRG31

  • 型番:TBMCZ40L30PRG31
  • 発注コード:G1U45
  • メーカー商品コード:146078
  • JANコード:4904115794839
商品一覧へ
(サイズ・色違いなど)

仕切価格
標準価格 \645,000
 
注文単位 1個
  • ※12/11 23:30 時点の情報です

※2/21に下記価格に改定予定です

仕切価格
標準価格 \1,400,000

用途
商品説明
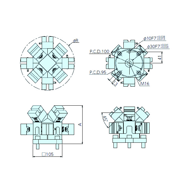
  • ツーリングブロックにマイクロバイスを設置し、5軸加工機や傾斜ロータリーテーブル用の多数個治具として活用できます。
  • ツーリングブロックの形状と嵩上げによるクランプ方法により刃具干渉を防ぎ、加工エリアを確保します。
  • マイクロバイスの繰返し位置決め精度は±0.02になります。
  • 本製品にはマイクロバイス8個含まれます。
  • 取付バイス MCZ40L30Wは口金セルフカット仕様です。
商品スペック
  • A:126.8
  • B:171.8
  • 材質・バイス:SCM440相当
  • 材質・イケール:アルミ
  • 熱処理(バイスのみ)・本体:焼入HV650以上
  • 熱処理(バイスのみ)・口金:焼入HV650以上(MCZ-L-PRGのみ)
  • 表面処理・バイス:黒染め
  • 表面処理・イケール:アルマイト
注意事項
  • 出荷時にイケールとバイスは組み付いておりません。お客様にて組付けをお願いいたします。
  • イケールを機械へ搭載する際には別途、取付ボルトを4本ご購入ください。
内容品・付属品 ●バイス取付け用ボルト(M5×17・4個1組)×8セット
原産国
特記事項

この商品を見た人はこちらの商品も見ています