おすすめキーワード
キーワードランキング
検索履歴
カテゴリー
メーカー
該当する販売店・事業所はありません
1~10件
商品動画
※3/11 23:30 時点の情報です
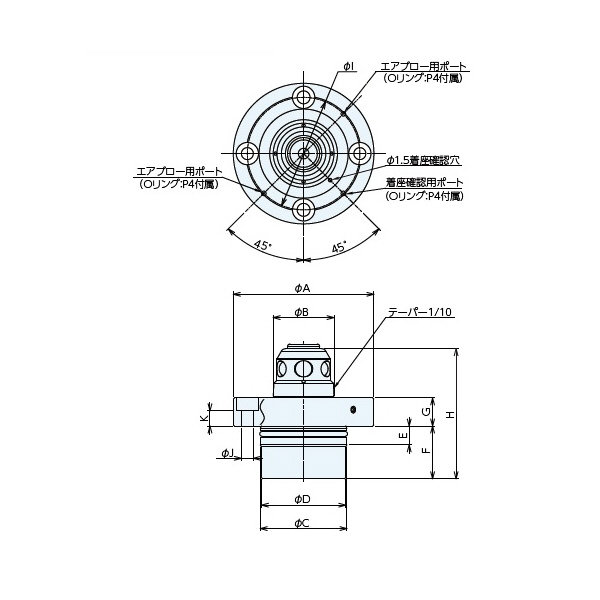
Qーロックエレメント ピン(空圧式単動) QLA
(株)ナベヤ
Qーロックエレメント ピン(ネジ式) QLTS
Qーロックエレメント ブッシュ(ネジ式) QLT
Qーロックエレメント ピンボルトセット QLK
MC精密アングルプレート(T溝タイプ) GTP
MCパレットサブテーブル 取付穴タイプ MC
MCツーリングブロック2面オーバーハング TOS
JIS型定盤移動アングル台付 SAO
MCマシン補助テーブル SBP
MC精密マシンバイス 多連バイス LT
MCサブテーブル T溝タイプ MCSP
FGクランプ用受けネジ FGCB
CV精密マシンバイス 多連バイス LTCV
MCツーリングブロック 5軸対応タイプ TB5X
MCパレットサブテーブル T溝タイプ MC
MCツーリングブロック 4面軽量タイプ TBL
JIS型精密検査用定盤 JP
MCパレットサブテーブル タップ穴タイプ MC
ユニレバーアクションバイスホールドリング UTS
ゆりかごセット イケールタイプ YNI
ログインを行ってください。
該当する商品の在庫はありません。
フォルダ新規作成
エラーメッセージエラーメッセージエラーメッセージエラーメッセージ
フォルダ選択
お気に入り登録しました
該当するユーザーはありません。