(株)ナベヤ

Q-ロックエレメント ピン(油圧式単動) QLH26SCP1

  • 型番:QLH26SCP1
  • 発注コード:G1U41
  • メーカー商品コード:140533
  • JANコード:4904115629476
商品一覧へ
(サイズ・色違いなど)

仕切価格
標準価格 \71,000
 
注文単位 1個
  • ※12/16 23:30 時点の情報です


用途
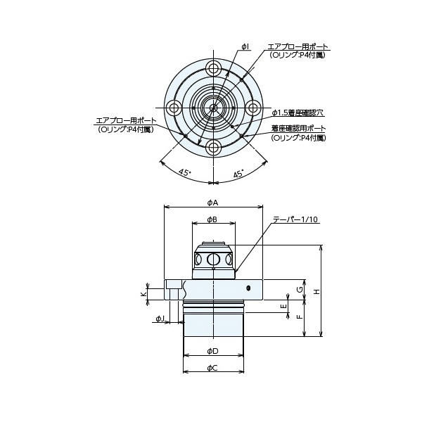
商品説明
  • エアーブロー・着座確認付。
  • 強力クランプで重切削向き。
  • クランプ時はバネ、アンクランプ時のみ油圧を使用する為、加工中は配管の切離しができます。
商品スペック
  • A:60
  • B:26
  • Ch5:37
  • D:36
  • E:8
  • F:22.5
  • G(±0.005):12
  • 高さ(mm):55.5
  • I:48
  • J:5.5
  • K:6.6
  • 質量(kg):0.5
  • タイプ:クランプピン
  • 材質(本体):SCM440
  • 熱処理:焼入HRC55
注意事項
内容品・付属品
原産国
特記事項

この商品を見た人はこちらの商品も見ています