(株)ナベヤ

Q-ロックエレメント ピン(油圧式単動) QLH40SDP1

  • 型番:QLH40SDP1
  • 発注コード:G1U40
  • メーカー商品コード:140531
  • JANコード:4904115629452
商品一覧へ
(サイズ・色違いなど)

仕切価格
標準価格 \108,000
 
注文単位 1個
  • ※12/16 23:30 時点の情報です


用途
商品説明
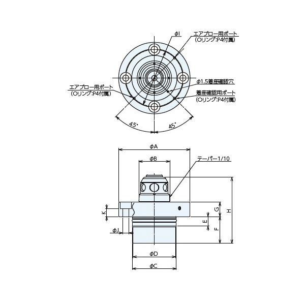
  • エアーブロー・着座確認付。
  • 強力クランプで重切削向き。
  • クランプ時はバネ、アンクランプ時のみ油圧を使用する為、加工中は配管の切離しができます。
商品スペック
  • A:88
  • B:40
  • Ch5:60
  • D:59
  • E:8
  • F:32
  • G(±0.005):16
  • 高さ(mm):78.5
  • I:72
  • J:7
  • K:9.5
  • 質量(kg):1.4
  • タイプ:ダイヤピン
  • 材質(本体):SCM440
  • 熱処理:焼入HRC55
注意事項
内容品・付属品
原産国
特記事項

この商品を見た人はこちらの商品も見ています