日進工具(株)

銅電極加工用ロングネックボールエンドミル DRB230 R0.25X5

  • 型番:DRB230 R0.25X5
  • 発注コード:F4E61
  • メーカー商品コード:07-00530-02550
  • JANコード:4571220559112
商品一覧へ
(サイズ・色違いなど)

仕切価格
標準価格 \10,500
 
注文単位 1個
  • ※12/15 23:30 時点の情報です


用途 ●曲面加工
商品説明
  • 銅電極加工に特化したロングネックボールエンドミル。
  • 鋭利な刃先でバリを抑制し、良好な加工面を実現。
  • 切削性の高さと鋭い刃形状、DLCコーティングにより、長時間の高品位かつ安定した加工が可能です。
  • 銅タングステン電極の加工にも有効です。
商品スペック
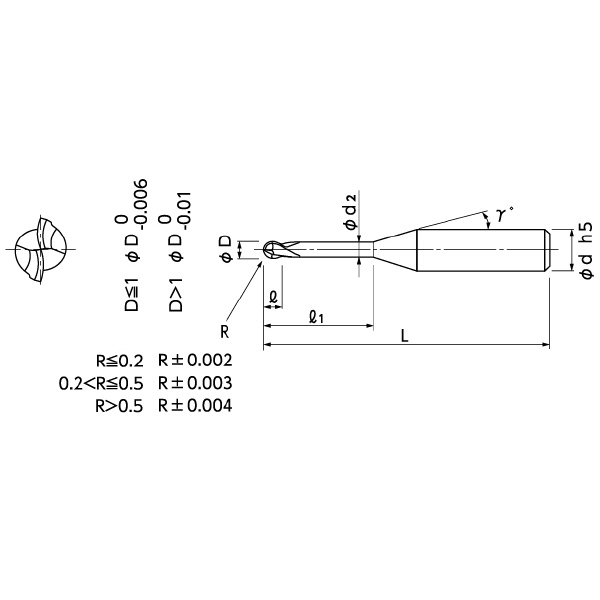
  • シャンク径(mm):4
  • シャンク径公差(mm):φd(h5)
  • ねじれ角(°):30
  • ボール半径(mm):R0.25
  • ボール半径公差(mm):±0.003
  • 外径(mm):0.5
  • 首下径d2(mm):0.46
  • 首下長l1(mm):5
  • 首角(γ):12°
  • 刃数(枚):2
  • 刃長(mm):0.35
  • 全長(mm):45
  • 刃先形状:ロングネックボール
  • ワーク勾配角に対する実有効長(30')(mm):5.30
  • ワーク勾配角に対する実有効長(1°)(mm):5.52
  • ワーク勾配角に対する実有効長(1°30')(mm):5.77
  • ワーク勾配角に対する実有効長(2°)(mm):6.04
  • ワーク勾配角に対する実有効長(3°)(mm):6.68
  • 表面処理:DLCコーティング
  • 材質:超微粒子超硬合金
  • 被削材:アルミ合金/銅/銅タングステン/樹脂
注意事項
  • R精度は実外径の1/2を基準とした精度です。
  • 工具をケースから取り出す際は、工具の飛び出しや、刃先が素手に直接触れない様に、充分に注意してください。
  • 切れ刃を直接素手で触れない様にしてください。
  • 工具を使用する際は、破損する危険がありますので、必ずカバー・保護メガネ等を使用してください。
  • ホルダ等は、工具や加工内容に見合った物を使用してください。工具はホルダにしっかりと固定し、振れを抑えるようにしてください。
  • 被削材は、しっかり固定してください。
  • 工具及び被削材の寸法は、あらかじめ確認しておいてください。
  • 切削条件は、加工物や使用機械に合せて、調節する必要があります。
  • 用途に応じて切削油を選定してください。不水溶性切削油を使用する場合は、加工時に発生する火花や破損で引火、火災の危険があります。防火対策を必ず行ってください。
内容品・付属品
原産国
特記事項

この商品を見た人はこちらの商品も見ています