(株)ナベヤ

円テーブル用コンパクトツーリングブロック TB8FC03-05530M

  • 型番:TB8FC03-05530M
  • 発注コード:F3H69
  • メーカー商品コード:136425
  • JANコード:4904115009902
商品一覧へ
(サイズ・色違いなど)

仕切価格
標準価格 \325,000
 
注文単位 1個
  • ※12/15 23:30 時点の情報です


用途
商品説明
  • 5軸加工機の多数個取りの治具ベースに最適です。
  • 小型5軸加工機(パレットCAPTO仕様)専用に設計されており位置決め用センターピンと取付ボルトを付属してます。
  • 使用面にはセルフカット代が設けてあり、ご使用の機械と同一精度に仕上げることができます。
  • 0.5mmのセルフカット代を設けてあります。
  • ご使用の機械で穴・溝などお好みの加工ができます。
  • ナベヤ標準ジグエレメントを使用することで、様々なサイズや形状のワークに対応できます。
商品スペック
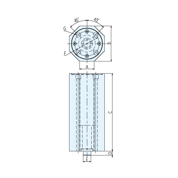
  • 形状:8面
  • A:56.3
  • B:136
  • C:300
  • D:15
  • E(g6):φ30
  • F:φ95
  • G:φ14(M12用)
  • 質量(kg):28
  • 材質(本体):S45C
注意事項
内容品・付属品 ●天蓋●天蓋取付ボルト●本体取付ボルト●アイボルト●位置決め用センターピン
原産国
特記事項

この商品を見た人はこちらの商品も見ています