日進工具(株)

無限プレミアムリード35エンドミル2枚刃 MXH235 3

  • 型番:MXH235 3
  • 発注コード:F1E21
  • メーカー商品コード:08-00007-00300
  • JANコード:4571220547843
商品一覧へ
(サイズ・色違いなど)

仕切価格
標準価格 \3,700
 
注文単位 1個
  • ※12/16 23:30 時点の情報です


用途 ●側面加工●溝加工●平面加工
商品説明
  • 側面も溝もこなすオールラウンドタイプ。
  • 無限コーティングプレミアムの採用により、ステンレス鋼・チタン合金等の耐熱合金に対応。
  • 刃長は外径の3倍で35°ねじれを採用。
  • 2倍刃長では刃長が足りなく、4倍刃長では長いといった悩みを解消。
商品スペック
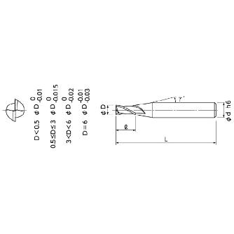
  • シャンク径(mm):6
  • ねじれ角(°):35
  • 外径(mm):3
  • 刃数(枚):2
  • 刃長(mm):9
  • 首角(γ):12°
  • 全長(mm):45
  • 刃先形状:スクエア
  • 加工可能硬度:~55HRCまで加工可能
  • 表面処理:無限コーティングプレミアム
  • 材質:超微粒子超硬合金
  • 被削材:プリハードン鋼/高硬度鋼(~52HRC)/ステンレス鋼/チタン合金・耐熱合金
注意事項
内容品・付属品
原産国
特記事項

この商品を見た人はこちらの商品も見ています