カトウ工機(株)

ARコレット隙間スルー ESS AR32-GHC M18

  • 型番:AR32-GHC M18
  • 発注コード:EXY03
  • メーカー商品コード:AR-0109
  • JANコード:―
商品一覧へ
(サイズ・色違いなど)

仕切価格
標準価格 \23,800
 
注文単位 1個
  • ※12/15 23:30 時点の情報です


用途
商品説明
  • 穴無しタップで刃先に給油!
  • 標準タップでセンタースルーが使用可能!
商品スペック
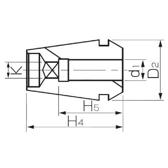
  • コレット外径(mm):33
  • コレット長さ(mm):40
  • H5(mm):35.0
  • タップ軸径d1(mm):14.0
  • 角部幅K(mm):11.0
  • 使用タップサイズ メートルネジ:M18
  • 使用タップサイズ ユニファイネジ:-
  • 使用タップサイズ 管用ネジ:P3/8
  • 専用スパナ:FK7
  • 対応タッパー:ESS-OHC
  • 耐圧(MPa):7
注意事項
内容品・付属品
原産国
特記事項

この商品を見た人はこちらの商品も見ています