(株)東日製作所

スクエアードライブヘッド DH32D

  • 型番:DH32D
  • 発注コード:EUN36
  • メーカー商品コード:DH32D
  • JANコード:4571141270349
商品一覧へ
(サイズ・色違いなど)

仕切価格
標準価格 ¥33,500
 
注文単位 1個
  • ※4/29 23:20 時点の情報です


用途
商品説明
  • 交換ヘッドの基本型でローコスト。
  • 1本のトルクレンチで同形多種のボルトを締める場合、セットで備えておくと便利です。
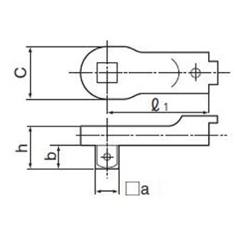
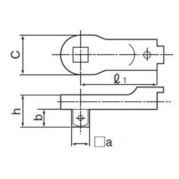
商品スペック
  • 仕様:RoHS
  • 適用挿入部サイズ:32D
  • 角ドライブa(mm):25.4
  • 外幅寸法C(mm):50
  • h(mm):58.5
  • b(mm):30.25
注意事項
  • 東日の交換ヘッドは東日のヘッド交換式トルクレンチに使用してください。
  • 『東日の交換ヘッド』は、『東日のヘッド交換式トルクレンチ』用に設計・製作されています。
  • 他社トルクレンチに接続・使用すると破損の可能性があります。他社トルクレンチには使用しないでください。
  • 角ドライブには貫通穴ソケットをご利用ください。
内容品・付属品
原産国
特記事項