(株)ナベヤ

インサートノズルBE型 BE12-1

  • 型番:BE12-1
  • 発注コード:EGG45
  • メーカー商品コード:970104
  • JANコード:4904115701042
商品一覧へ
(サイズ・色違いなど)

仕切価格
標準価格 ¥3,390
 
注文単位 1個
  • ※5/14 23:30 時点の情報です


用途
商品説明
  • 機械や治具に組み込みができ、刃物や治具への干渉がありません。
  • ノズル角度がスピーディーに変えられます。
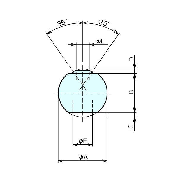
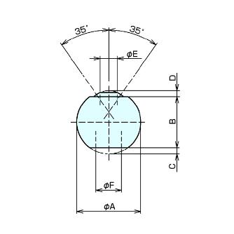
商品スペック
  • 質量(g):-
  • A:12
  • B:8.6
  • C:1.5
  • D:1.5
  • E:4.1
  • F:6.4
  • 材質・本体:アセタール
  • 材質・ノズル/ボール:SUS303
  • 最大圧力(MPa):1
  • 耐熱温度(℃):70
  • 取付方法:皿ねじ
注意事項
内容品・付属品
原産国
特記事項 ナベヤ(メーカー手配)に限り同一注文のメーカー定価合計が10,000円未満は送料1,000円です。サイト全体合計に適用しません。北海道・沖縄・離島は別途送料が発生します(送料は予告なく変更の場合あり)

この商品を見た人はこちらの商品も見ています