(株)ナベヤ

インサートノズルSB型 SB08-1

  • 型番:SB08-1
  • 発注コード:EGF52
  • メーカー商品コード:975276
  • JANコード:4904115752761
商品一覧へ
(サイズ・色違いなど)

仕切価格
標準価格 ¥2,990
 
注文単位 1個
  • ※5/14 23:30 時点の情報です


用途
商品説明
  • 機械や治具に組み込みができ、刃物や治具への干渉がありません。
  • ノズル角度がスピーディーに変えられます。
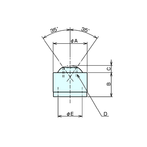
商品スペック
  • 質量(g):1
  • A:8
  • B:6
  • C:1.5
  • D(並目):M3.5
  • E:4.2
  • 取付穴:8H9
  • 材質・本体:アセタール
  • 材質・ノズル/ボール:SUS303
  • 最大圧力(MPa):1
  • 耐熱温度(℃):70
  • 取付方法:打ち込み
注意事項
内容品・付属品
原産国
特記事項 ナベヤ(メーカー手配)に限り同一注文のメーカー定価合計が10,000円未満は送料1,000円です。サイト全体合計に適用しません。北海道・沖縄・離島は別途送料が発生します(送料は予告なく変更の場合あり)

この商品を見た人はこちらの商品も見ています