(株)ナベヤ

ポリアンゴラー 四角刃物 P2100N-S3

  • 型番:P2100N-S3
  • 発注コード:EFV27
  • メーカー商品コード:976275
  • JANコード:4904115762753
商品一覧へ
(サイズ・色違いなど)

仕切価格
標準価格 \41,800
 
注文単位 1個
  • ※12/16 23:30 時点の情報です


用途
商品説明
  • ボール盤・旋盤・フライス盤で容易に角穴加工ができます。
  • ロットの少ない角穴加工に最適です。
  • 刃物の形状を変えることで、四角・六角・八角・十二角などの穴加工が可能です。
  • MT用ホルダーに取り付ければマシニングセンタでも使えます。
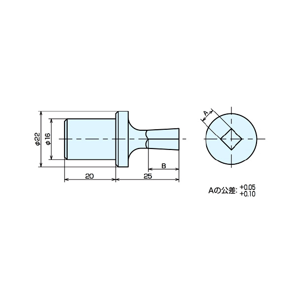
商品スペック
  • 質量(g):50
  • 刃長 (B):6
  • 刃物対辺 (A):3
  • 材質:一般鉄鋼・ステンレス・真鍮・アルミ
  • 加工材質:一般鉄鋼・ステンレス・真鍮・アルミ
  • 使用条件・四角対辺5mm以下:回転数1500rpm、送り量0.03mm/rev
  • 使用条件・四角対辺6~10mm:回転数1500rpm、送り量0.01mm/rev
  • 使用条件・六角対辺5mm以下:回転数1500rpm、送り量0.03~0.05mm/rev
  • 使用条件・六角対辺6~10mm:回転数1500rpm、送り量0.01~0.04mm/rev
注意事項
内容品・付属品
原産国
特記事項

この商品を見た人はこちらの商品も見ています