おすすめキーワード
キーワードランキング
検索履歴
カテゴリー
メーカー
該当する販売店・事業所はありません
1~10件
※4/30 23:30 時点の情報です
MCパレットサブテーブル 取付穴タイプ MC
(株)ナベヤ
MCパレットサブテーブル タップ穴タイプ MC
JIS型定盤移動アングル台付 SAO
MCマシン補助テーブル SBP
MCパレットサブテーブル T溝タイプ MC
JIS型定盤用アングル台 JP
MC精密アングルプレート(T溝タイプ) GTP
MJイケールH型 MJ
MCサブテーブル T溝タイプ MCSP
MCツーリングブロック2面オーバーハング TOS
JIS型精密検査用定盤 JP
MCツーリングブロック 4面スタンダード TPH
MCツーリングブロック 5軸対応タイプ TB5X
MCツーリングブロック 4面十字タイプ TJS
MCツーリングブロック 4面軽量タイプ TBL
MCツーリングブロック 8面タイプ TB8F
Qーロックエレメント ピン(ネジ式) QLTS
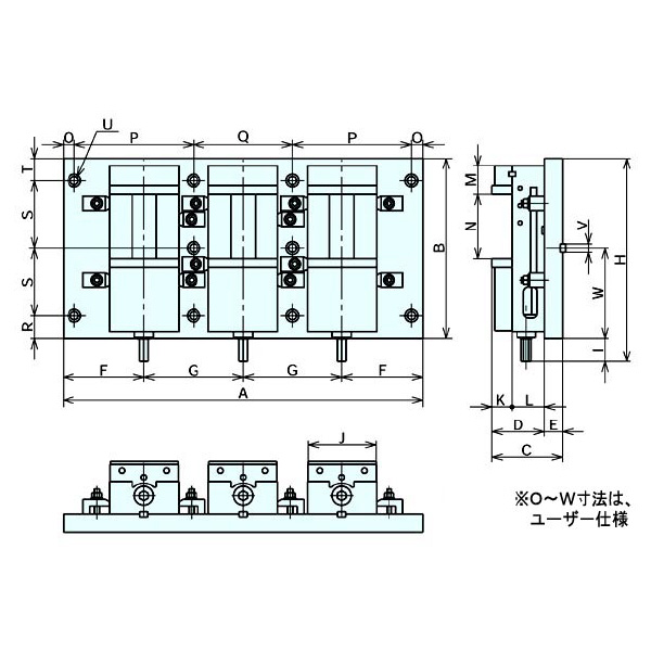
CV精密マシンバイス 多連バイス LTCV
Qーロックエレメント ブッシュ(ネジ式) QLT
5軸マシンバイス ユニバーサル口金セット UJS
ログインを行ってください。
該当する商品の在庫はありません。
フォルダ新規作成
エラーメッセージエラーメッセージエラーメッセージエラーメッセージ
フォルダ選択
お気に入り登録しました
該当するユーザーはありません。