(株)ナベヤ

ステップベースプレート 612-306 廃番

  • 型番:612-306
  • 発注コード:EEU68
  • メーカー商品コード:937930
  • JANコード:4904115379302
商品一覧へ
(サイズ・色違いなど)

仕切価格
標準価格 ¥23,700
 
注文単位 1個
  • ※3/17 23:30 時点の情報です


用途
商品説明
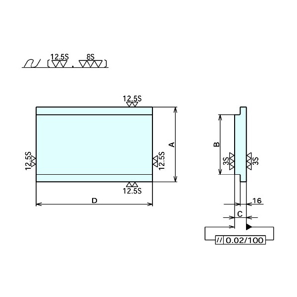
商品スペック
  • 質量(kg):16.2
  • 熱処理:焼鈍
  • 表面処理:塗装(黒皮部)
  • A±0.3:165
  • B±0.3:125
  • C±0.05:25
  • D±0.3:610
注意事項
  • <特記事項>>【画像注意事項】画像はステップベースプレートシリーズ画像を使用しています。
内容品・付属品
原産国
特記事項