(株)ナベヤ

スプリングスリーブ PSL3016C

  • 型番:PSL3016C
  • 発注コード:EDZ74
  • メーカー商品コード:111732
  • JANコード:4904115240022
商品一覧へ
(サイズ・色違いなど)

仕切価格
標準価格 \130
 
注文単位 1個
  • ※1/30 23:30 時点の情報です

※2/21に下記価格に改定予定です

仕切価格
標準価格 \140

用途
商品説明
  • 使用温度範囲は、-30℃~+250℃です。
商品スペック
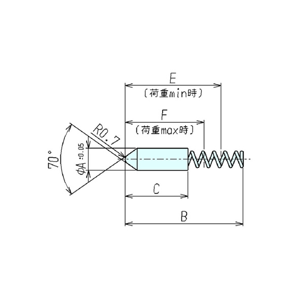
  • A:3
  • B:16
  • C:8.5
  • D:+
  • E:13
  • F:10.7
  • 荷重(N) min./max.:4.8/8.4
  • バネ定数 N/mm:1.6
  • 質量(g):0.23
  • 材質・本体:スティール
  • 材質・スプリング:SUS301
  • 熱処理・本体:ニッケルメッキ
注意事項
内容品・付属品
原産国
特記事項 ナベヤ(メーカー手配)に限り同一注文のメーカー定価合計が10,000円未満は送料1,000円です。サイト全体合計に適用しません。北海道・沖縄・離島は別途送料が発生します(送料は予告なく変更の場合あり)

この商品を見た人はこちらの商品も見ています