(株)ナベヤ

スプリングスリーブ PSL3415

  • 型番:PSL3415
  • 発注コード:EDZ63
  • メーカー商品コード:111724
  • JANコード:4904115239941
商品一覧へ
(サイズ・色違いなど)

仕切価格
標準価格 ¥130
 
注文単位 1個
  • ※4/30 23:30 時点の情報です


用途
商品説明
  • 使用温度範囲は、-30℃~+250℃です。
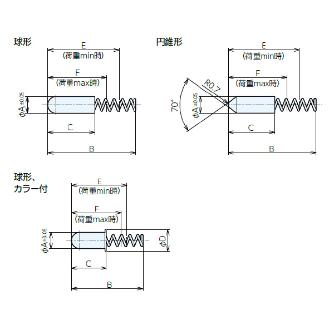
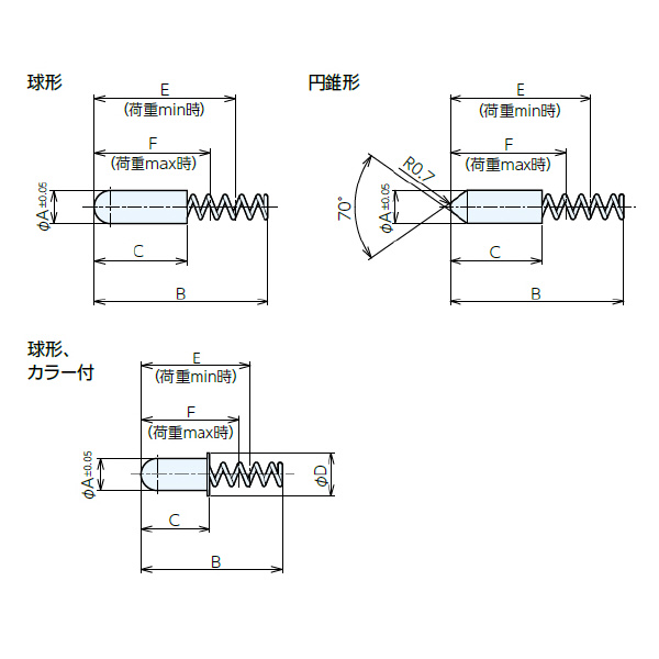
商品スペック
  • A:3.4
  • B:15
  • C:7.3
  • D:-
  • E:12
  • F:8.2
  • 荷重(N) miin./max.:5.9/13.3
  • バネ定数 N/mm:1.95
  • 質量(g):0.23
  • 材質・本体:スティール
  • 材質・スプリング:SUS301
  • 熱処理・本体:ニッケルメッキ
注意事項
内容品・付属品
原産国
特記事項 ナベヤ(メーカー手配)に限り同一注文のメーカー定価合計が10,000円未満は送料1,000円です。サイト全体合計に適用しません。北海道・沖縄・離島は別途送料が発生します(送料は予告なく変更の場合あり)

この商品を見た人はこちらの商品も見ています