(株)ナベヤ

アルミスクリュージャッキ ASJ095R

  • 型番:ASJ095R
  • 発注コード:EDF65
  • メーカー商品コード:113876
  • JANコード:4904115235141
商品一覧へ
(サイズ・色違いなど)

仕切価格
標準価格 \4,770
 
注文単位 1個
  • ※1/29 23:30 時点の情報です

※2/21に下記価格に改定予定です

仕切価格
標準価格 \6,700

用途
商品説明
  • アルミ製のため、ベース、クランプ等へ傷をつけません。
  • プラクランプセットのサポートジャッキとして便利です。
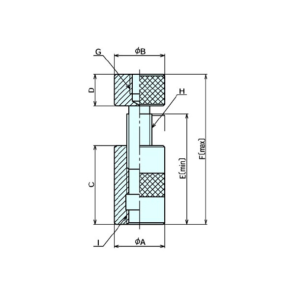
商品スペック
  • A:32
  • B:32
  • C:50
  • D:20
  • 全高(mm):70(最小高)/95(最大高)
  • G(並目):M12×1.75
  • H(並目):M16×2
  • 質量(kg):0.14
  • カラー:赤アルマイト処理
  • 材質(本体):A5056
注意事項
内容品・付属品
原産国
特記事項 ナベヤ(メーカー手配)に限り同一注文のメーカー定価合計が10,000円未満は送料1,000円です。サイト全体合計に適用しません。北海道・沖縄・離島は別途送料が発生します(送料は予告なく変更の場合あり)

この商品を見た人はこちらの商品も見ています