(株)ナベヤ

センタークランプ CTC10

  • 型番:CTC10
  • 発注コード:EAQ03
  • メーカー商品コード:905160
  • JANコード:4904115051604
商品一覧へ
(サイズ・色違いなど)

仕切価格
標準価格 ¥3,080
 
注文単位 1個
  • ※5/14 23:30 時点の情報です


用途
商品説明
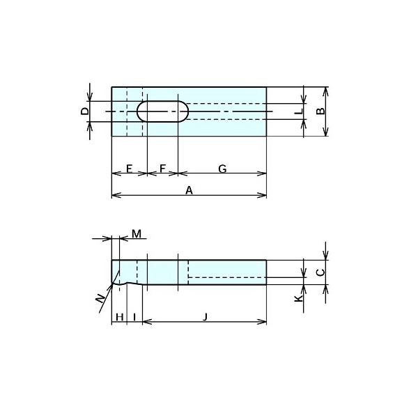
商品スペック
  • 適合ボルト:M10
  • 全長(mm):90
  • 全幅(mm):25
  • 全高(mm):12
  • D:11
  • E:20
  • F:14
  • G:56
  • H:10
  • I:10
  • J:70
  • K:3
  • L:9
  • M:5
  • N:R10
  • 質量(kg):0.18
  • 材質(本体):S45C
  • 熱処理:焼入HRC30±5
  • 表面処理:黒染め
注意事項
内容品・付属品
原産国
特記事項 ナベヤ(メーカー手配)に限り同一注文のメーカー定価合計が10,000円未満は送料1,000円です。サイト全体合計に適用しません。北海道・沖縄・離島は別途送料が発生します(送料は予告なく変更の場合あり)

この商品を見た人はこちらの商品も見ています