(株)ナベヤ

フランジ付ロケートピン PFD0808-32

  • 型番:PFD0808-32
  • 発注コード:EAO81
  • メーカー商品コード:955538
  • JANコード:4904115555386
商品一覧へ
(サイズ・色違いなど)

仕切価格
標準価格 ¥8,700
 
注文単位 1個
  • ※3/15 23:20 時点の情報です


用途
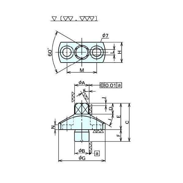
商品説明
  • 取付巾が小さいのでせまい場所への組込みができます。
  • フランジ付であり、上面よりネジで固定できます。
商品スペック
  • Ah6:8
  • Bh5:8
  • C:42.5
  • D:14.5
  • E:32.5
  • F:10
  • G:39
  • H:15
  • I:30°
  • J:2
  • K:30°
  • L:3.2
  • M:25
  • N:4
  • 質量(kg):0.059
  • タイプ:ダイヤピン
  • 材質(本体):SCM440
  • 熱処理:焼入HRC50±5
  • 表面処理:黒染め
注意事項
内容品・付属品
原産国
特記事項 ナベヤ(メーカー手配)に限り同一注文のメーカー定価合計が10,000円未満は送料1,000円です。サイト全体合計に適用しません。北海道・沖縄・離島は別途送料が発生します(送料は予告なく変更の場合あり)

この商品を見た人はこちらの商品も見ています