(株)ナベヤ

フランジ付ロケートピン PFD1010-48

  • 型番:PFD1010-48
  • 発注コード:EAO54
  • メーカー商品コード:955544
  • JANコード:4904115555447
商品一覧へ
(サイズ・色違いなど)

仕切価格
標準価格 ¥12,500
 
注文単位 1個
  • ※3/15 23:20 時点の情報です


用途
商品説明
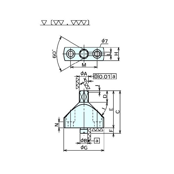
  • フランジ付であり、上面よりネジで固定できます。
  • 背が高いロケートピンのため、ワークの位置が高い場合に有効です。
商品スペック
  • Ah6:10
  • Bh5:10
  • C:55
  • D:15
  • E:48
  • F:7
  • G:52
  • H:17
  • I:45°
  • J:2
  • K:30°
  • L:4
  • M:34
  • N:8
  • 質量(kg):0.154
  • タイプ:ダイヤピン
  • 材質(本体):SCM440
  • 熱処理:焼入HRC50±5
  • 表面処理:黒染め
注意事項
内容品・付属品
原産国
特記事項 ナベヤ(メーカー手配)に限り同一注文のメーカー定価合計が10,000円未満は送料1,000円です。サイト全体合計に適用しません。北海道・沖縄・離島は別途送料が発生します(送料は予告なく変更の場合あり)

この商品を見た人はこちらの商品も見ています