(株)ナベヤ

ロケーティングピンアジャストタイプ PAJ16D

  • 型番:PAJ16D
  • 発注コード:EAN51
  • メーカー商品コード:984140
  • JANコード:4904115841403
商品一覧へ
(サイズ・色違いなど)

仕切価格
標準価格 \16,400
 
注文単位 1個
  • ※12/11 23:30 時点の情報です


用途
商品説明
  • レンチ1本で繰返し位置決め精度5μm。
  • 基準穴とのスキマゼロ、高精度位置決めピンでプレート交換や小規模汎用化に最適。
  • ダイヤタイプには位合わせ用のシムが付属しています。
商品スペック
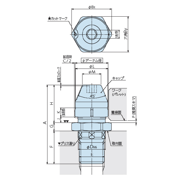
  • A:37
  • Bx:19
  • By:17
  • C:0.24
  • D k6:13(+0.012~+0.001)
  • E:M12×1.5
  • F:15
  • G:4
  • H:18
  • J:2.8
  • K:4.2
  • L:15.7
  • M:9
  • N(六角×深さ):4×3.5
  • P(推奨スキマ):0.5~1
  • Q:17
  • R:5.6
  • S:17
  • データム径φ:15.84(最小)/16.06(最大)
  • ワーク径φ:16H8
  • 拡径 ストローク:0.6
  • 質量(kg):0.04
  • タイプ:ダイヤ
  • 材質(本体):SNCM439
  • 材質(キャップ部):SCM440
  • 熱処理:焼入HRC55
注意事項
内容品・付属品
原産国
特記事項

この商品を見た人はこちらの商品も見ています