(株)ナベヤ

ロケーティングピンアジャストタイプ PAJ12D

  • 型番:PAJ12D
  • 発注コード:EAN50
  • メーカー商品コード:984138
  • JANコード:4904115841380
商品一覧へ
(サイズ・色違いなど)

仕切価格
標準価格 ¥15,100
 
注文単位 1個
  • ※3/15 23:20 時点の情報です


用途
商品説明
  • レンチ1本で繰返し位置決め精度5μm。
  • 基準穴とのスキマゼロ、高精度位置決めピンでプレート交換や小規模汎用化に最適。
  • ダイヤタイプには位合わせ用のシムが付属しています。
商品スペック
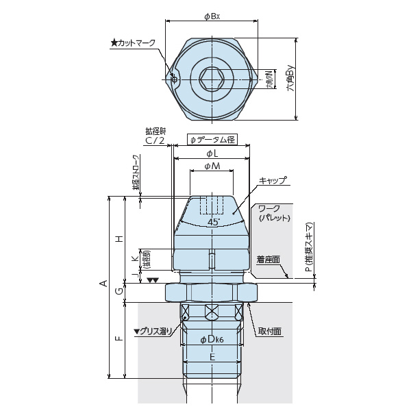
  • A:30
  • Bx:15.5
  • By:14
  • C:0.2
  • D k6:9(+0.010~+0.001)
  • E:M8×1
  • F:11.5
  • G:3.5
  • H:15
  • J:2.2
  • K:3.5
  • L:11.8
  • M:6.5
  • N(六角×深さ):3×3
  • P(推奨スキマ):0.5~1
  • Q:14
  • R:5
  • S:13.5
  • データム径φ:11.88(最小)/12.06(最大)
  • ワーク径φ:12H8
  • 拡径 ストローク:0.5
  • 質量(kg):0.02
  • タイプ:ダイヤ
  • 材質(本体):SNCM439
  • 材質(キャップ部):SCM440
  • 熱処理:焼入HRC55
注意事項
内容品・付属品
原産国
特記事項 ナベヤ(メーカー手配)に限り同一注文のメーカー定価合計が10,000円未満は送料1,000円です。サイト全体合計に適用しません。北海道・沖縄・離島は別途送料が発生します(送料は予告なく変更の場合あり)

この商品を見た人はこちらの商品も見ています