(株)ナベヤ

ロケートピン LCP08-2425

  • 型番:LCP08-2425
  • 発注コード:EAN16
  • メーカー商品コード:950653
  • JANコード:4904115506531
商品一覧へ
(サイズ・色違いなど)

仕切価格
標準価格 ¥5,600
 
注文単位 1個
  • ※4/29 23:20 時点の情報です


用途
商品説明
  • ソケットスクリューによる固定式位置決めピン。繰返し使用できます。
  • 取付ボルトは別売りです。
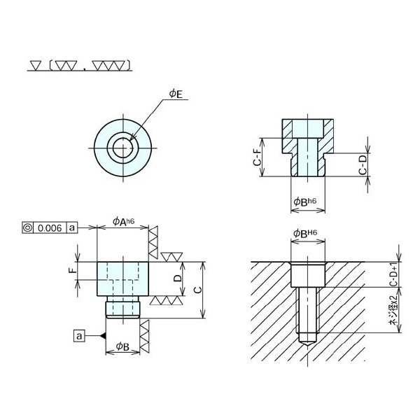
商品スペック
  • 上部径A:24
  • 下部径B:15
  • C:37
  • D:25
  • E:9
  • F:9
  • 適合取付ボルト:SKS08040
  • 質量(kg):0.08
  • 材質(本体):SK-5
  • 熱処理:焼入HRC57±3
注意事項
内容品・付属品
原産国
特記事項 ナベヤ(メーカー手配)に限り同一注文のメーカー定価合計が10,000円未満は送料1,000円です。サイト全体合計に適用しません。北海道・沖縄・離島は別途送料が発生します(送料は予告なく変更の場合あり)

この商品を見た人はこちらの商品も見ています