(株)ナベヤ

ハイトブロック HBL0820 廃番

  • 型番:HBL0820
  • 発注コード:EAM81
  • メーカー商品コード:938756
  • JANコード:4904115387567
商品一覧へ
(サイズ・色違いなど)

仕切価格
標準価格 ¥940
 
注文単位 1個
  • ※3/13 23:30 時点の情報です


用途
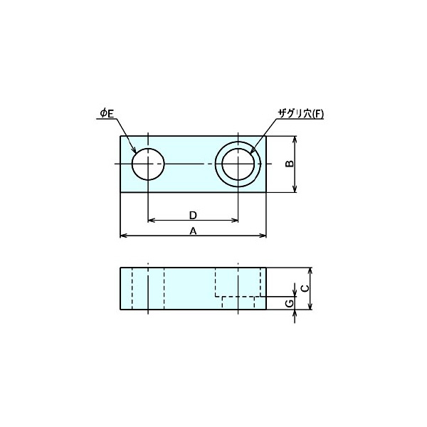
商品説明
  • 簡易型の階上用スペーサーエレメントです。
商品スペック
  • A:50
  • B:19
  • C:19
  • D:25
  • E:9
  • F:M8用座ぐり穴
  • G:10
  • 質量g:130
  • 表面処理:黒染め
注意事項
  • <特記事項>>【画像注意事項】画像はハイトブロックシリーズ画像を使用しています。
内容品・付属品
原産国
特記事項 ナベヤ(メーカー手配)に限り同一注文のメーカー定価合計が10,000円未満は送料1,000円です。サイト全体合計に適用しません。北海道・沖縄・離島は別途送料が発生します(送料は予告なく変更の場合あり)