(株)ナベヤ

油圧複動リンククランプ LCDA0400R

  • 型番:LCDA0400R
  • 発注コード:EAK65
  • メーカー商品コード:114415
  • JANコード:4904115232348
商品一覧へ
(サイズ・色違いなど)

仕切価格
標準価格 \62,000
 
注文単位 1個
  • ※12/11 23:30 時点の情報です

※2/21に下記価格に改定予定です

仕切価格
標準価格 \70,000

用途
商品説明
  • 低圧。(1.5~7MPa)
  • ハイパワー・コンパクト。
商品スペック
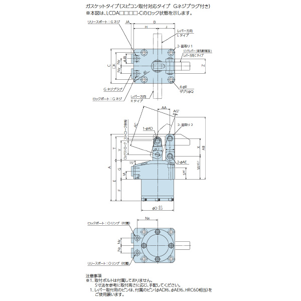
  • 全ストローク:20.5
  • スイング ストローク(90°):17.5
  • ロック ストローク:3
  • A:87.5
  • B:54
  • C:45
  • D:40
  • E:54
  • F:29
  • G:25
  • H:31.5
  • J:22.5
  • K:34
  • L:72
  • M:11
  • Nx:26
  • Ny:9
  • Q:9
  • R:5.5
  • S:15
  • T:30.5
  • U:12
  • V:25
  • W:30.5
  • X:22
  • Y:13
  • Z:21
  • 面取り1:C3
  • 面取り2:C3
  • AA:16
  • AB:77.7
  • AC:50.2
  • AD:6
  • AE:6
  • AG:20.2
  • JA:35
  • JB:14
  • ロック/リリースポート:G1/8
  • Oリング:IBP5
  • 質量(kg):0.7
注意事項
内容品・付属品
原産国
特記事項

この商品を見た人はこちらの商品も見ています