(株)ナベヤ

油圧複動リンククランプ LCDA0360R

  • 型番:LCDA0360R
  • 発注コード:EAK62
  • メーカー商品コード:114412
  • JANコード:4904115232317
商品一覧へ
(サイズ・色違いなど)

仕切価格
標準価格 \62,000
 
注文単位 1個
  • ※12/11 23:30 時点の情報です

※2/21に下記価格に改定予定です

仕切価格
標準価格 \69,500

用途
商品説明
  • 低圧。(1.5~7MPa)
  • ハイパワー・コンパクト。
商品スペック
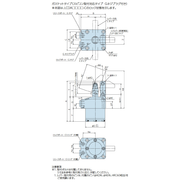
  • 全ストローク:18.5
  • スイング ストローク(90°):16
  • ロック ストローク:2.5
  • A:78.5
  • B:49
  • C:40
  • D:36
  • E:48
  • F:23
  • G:25
  • H:29
  • J:20
  • K:31.4
  • L:66
  • M:11
  • Nx:23.5
  • Ny:8
  • Q:7.5
  • R:4.5
  • S:15.5
  • T:27
  • U:10
  • V:22.5
  • W:30
  • X:20
  • Y:11
  • Z:19
  • 面取り1:C2
  • 面取り2:C2.5
  • AA:14.5
  • AB:74.3
  • AC:47.3
  • AD:5
  • AE:5
  • AG:19.6
  • JA:35
  • JB:14
  • ロック/リリースポート:G1/8
  • Oリング:IBP5
  • 質量(kg):0.6
注意事項
内容品・付属品
原産国
特記事項

この商品を見た人はこちらの商品も見ています