(株)ナベヤ

油圧複動スイングクランプ SCDA0550R

  • 型番:SCDA0550R
  • 発注コード:EAK50
  • メーカー商品コード:114436
  • JANコード:4904115232195
商品一覧へ
(サイズ・色違いなど)

仕切価格
標準価格 \101,000
 
注文単位 1個
  • ※12/11 23:30 時点の情報です

※2/21に下記価格に改定予定です

仕切価格
標準価格 \122,000

用途
商品説明
  • ロングレバーに対応。
  • 高速動作と高い耐久性の旋回機構。
  • 優れたクーラント対策。
  • スイングレバーの製作容易(テーパースリーブを標準付属)。
商品スペック
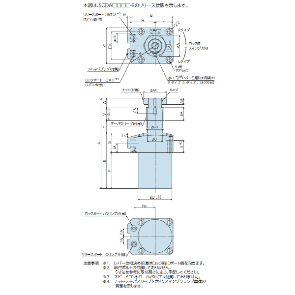
  • 全ストローク:18.5
  • スイング ストローク(90°):8.5
  • ロック ストローク:10
  • A:145.5
  • B:69
  • C:60
  • D:55
  • E:89
  • F:59
  • G:30
  • H:39
  • J:30
  • K:47
  • L:88
  • M:12
  • Nx:33.5
  • Ny:12
  • Q:11
  • R:6.8
  • S:17
  • T:20.5
  • U:25
  • V:21
  • W:15
  • X(呼び×ピッチ):M22×1.5
  • Y:8
  • Z(面取り):C3
  • AA:32
  • AB:10
  • AC:35.5
  • BB:28
  • CA:10
  • CB:9.5
  • CC:6
  • JA:3.5
  • JB:14
  • ロックポート/リリースポート:G1/8
  • Oリング:1BP5
  • シリンダ容量CM3:19(ロック時)/28.1(リリース時)
  • 質量(kg):2
注意事項
内容品・付属品
原産国
特記事項

この商品を見た人はこちらの商品も見ています