(株)ナベヤ

油圧複動スイングクランプ SCDA0400R

  • 型番:SCDA0400R
  • 発注コード:EAK46
  • メーカー商品コード:114432
  • JANコード:4904115232157
商品一覧へ
(サイズ・色違いなど)

仕切価格
標準価格 \92,500
 
注文単位 1個
  • ※12/11 23:30 時点の情報です

※2/21に下記価格に改定予定です

仕切価格
標準価格 \104,000

用途
商品説明
  • ロングレバーに対応。
  • 高速動作と高い耐久性の旋回機構。
  • 優れたクーラント対策。
  • スイングレバーの製作容易(テーパースリーブを標準付属)。
商品スペック
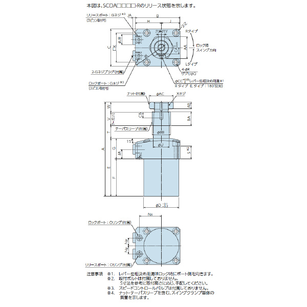
  • 全ストローク:14.5
  • スイング ストローク(90°):6.5
  • ロック ストローク:8
  • A:115
  • B:54
  • C:45
  • D:40
  • E:71.5
  • F:46.5
  • G:25
  • H:31.5
  • J:22.5
  • K:34
  • L:73
  • M:11
  • Nx:26
  • Ny:9
  • Q:9
  • R:5.5
  • S:15
  • T:16.5
  • U:18
  • V:15
  • W:12
  • X(呼び×ピッチ):M16×1.5
  • Y:6
  • Z(面取り):C3
  • AA:24
  • AB:8
  • AC:26.5
  • BB:20
  • CA:7
  • CB:6.5
  • CC:4
  • JA:3.5
  • JB:14
  • ロックポート/リリースポート:G1/8
  • Oリング:1BP5
  • シリンダ容量CM3 ロック時:7.3
  • シリンダ容量CM3 リリース時:10.9
  • 質量(kg):0.9
注意事項
内容品・付属品
原産国
特記事項

この商品を見た人はこちらの商品も見ています