(株)ナベヤ

ナットランナークランプ用素材クランプバー NRCS10CS

  • 型番:NRCS10CS
  • 発注コード:EAK31
  • メーカー商品コード:973821
  • JANコード:4904115738215
商品一覧へ
(サイズ・色違いなど)

仕切価格
標準価格 ¥14,100
 
注文単位 1個
  • ※3/15 23:20 時点の情報です


用途
商品説明
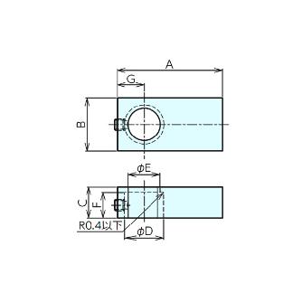
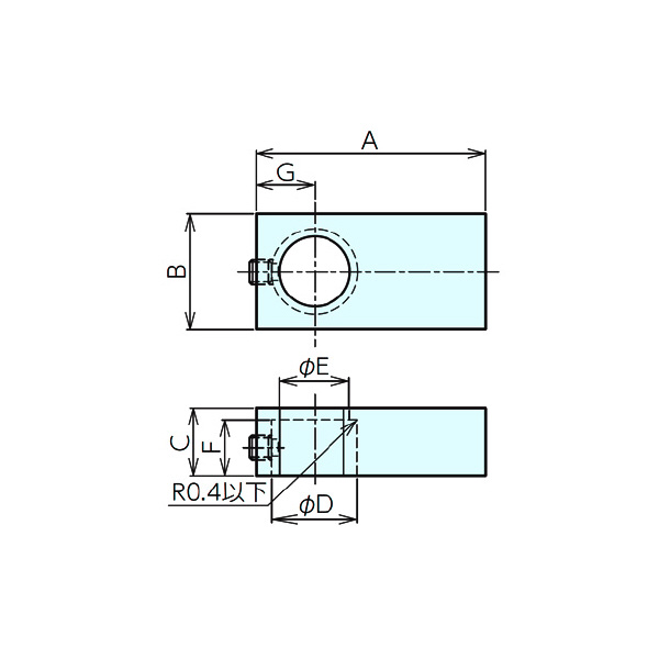
  • ナットランナーS型用クランプバーです。
  • お客様に追加工していただく素材タイプです。
商品スペック
  • 適合機種:NRCS-10R・L
  • A:115
  • B:46
  • C(±0.1):25
  • D(H8):35
  • E:29
  • F(±0.1):21
  • G:23
  • 質量(kg):0.9
  • 材質(本体):S45C
注意事項
内容品・付属品 ●位置決め用六角穴付止めねじ(棒先)
原産国
特記事項 ナベヤ(メーカー手配)に限り同一注文のメーカー定価合計が10,000円未満は送料1,000円です。サイト全体合計に適用しません。北海道・沖縄・離島は別途送料が発生します(送料は予告なく変更の場合あり)

この商品を見た人はこちらの商品も見ています