(株)ナベヤ

プルダウンバイス 口金 PV2-JAH

  • 型番:PV2-JAH
  • 発注コード:EAI24
  • メーカー商品コード:931360
  • JANコード:4904115313603
商品一覧へ
(サイズ・色違いなど)

仕切価格
標準価格 ¥10,500
 
注文単位 1個
  • ※4/29 23:20 時点の情報です


用途
商品説明
  • マシンバイス、ミーリングバイス、セーパーバイス等の最大の欠点である“口の開きが小さい”ことをカバーします。
  • プレーナー、セーパー、フライス、中ぐり盤、等のテーブルに合わせ、加工物に合わせて無限大に挟めます。
  • 加工物を“プルダウン”下に引きながら締付けますので強力締付けで浮上がりが防止できます。
  • 本体にはナベヤ特製のダクタイル鋳鉄を使用してあり破損しません。
  • 要所は研削仕上げがしてあり高精度です。
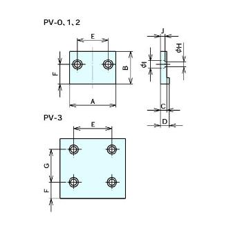
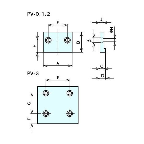
商品スペック
  • A:85
  • B:60
  • C:12
  • D:16.5
  • E:56
  • F:36
  • G:-
  • H:9
  • I:14
  • J:9
  • 適合ボルト:M8
  • 部品名:標準口金/(細目)
  • 適合機種:PV-2
注意事項
内容品・付属品
原産国
特記事項 ナベヤ(メーカー手配)に限り同一注文のメーカー定価合計が10,000円未満は送料1,000円です。サイト全体合計に適用しません。北海道・沖縄・離島は別途送料が発生します(送料は予告なく変更の場合あり)

この商品を見た人はこちらの商品も見ています