(株)ナベヤ

Q-ロックエレメント ピン(油圧式単動) QLH48SCP 廃番

  • 型番:QLH48SCP
  • 発注コード:DQ676
  • メーカー商品コード:129618
  • JANコード:4904115765204
商品一覧へ
(サイズ・色違いなど)

仕切価格
標準価格 \100,000
 
注文単位 1個
  • ※12/16 23:30 時点の情報です


用途
商品説明
  • エアーブロー・着座確認付
  • 強力クランプで重切削向き
  • クランプ時はバネ、アンクランプ時のみ油圧を使用する為、加工中は配管の切り離しが可能です。
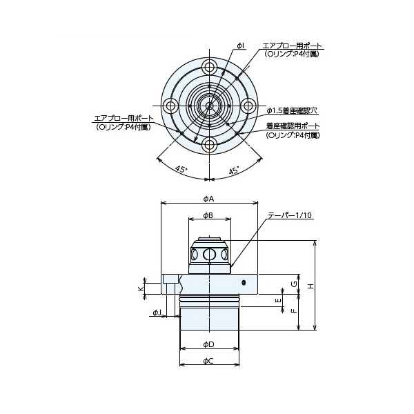
商品スペック
  • A:105
  • B:48
  • C?h5:73
  • D:71.5
  • E:8
  • F:36.5
  • G?±0.005:20
  • H:92.5
  • I:87
  • J:9
  • K:11.4
  • 質量kg:2.5
  • タイプ:クランプピン
  • 熱処理:本体:焼入HRC55
注意事項
内容品・付属品
原産国
特記事項

この商品を見た人はこちらの商品も見ています