おすすめキーワード
キーワードランキング
検索履歴
カテゴリー
メーカー
該当する販売店・事業所はありません
1~10件
※12/16 23:30 時点の情報です
足場台 PXGK
アルインコ(株)
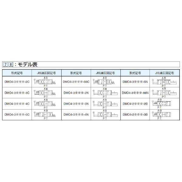
モジュラースタック形パイロットチェック弁 F-MP
ダイキン工業(株)
樹脂カッタ JPC
(株)MCCコーポレーション
モジュラースタック形流量調整弁 MF
減圧弁 JGB-G
減圧弁 JGB-T
活線ボルトクリッパ ZBC
胴ベルト型墜落制止用器具2丁掛けセット品 ロックリトラ+ノビロン(ランヤード+ランヤード)
藤井電工(株)
フェンスウエイト
三甲(株)
ライトアングルチェック弁 JCA-G
カッタ用インサート MPHW
(株)MOLDINO
カッタ用インサート ADET
電池アダプタ BSL-14A
(株)西田製作所
倍力レンチ PPW
低床重荷量用キャスター THH
(株)ナンシン
NCC-101B2用後輪車輪 VB100(B2) グレ-
取付ボルト(4本入り) HB
ライトアングルチェック弁 JCA-T
パイプレンチアルミスリムワイド PWTDA
替刃(標準形ヘッド用) TINコーティング BK
聖和精機(株)
ログインを行ってください。
該当する商品の在庫はありません。
フォルダ新規作成
エラーメッセージエラーメッセージエラーメッセージエラーメッセージ
フォルダ選択
お気に入り登録しました
該当するユーザーはありません。