ダイキン工業(株)

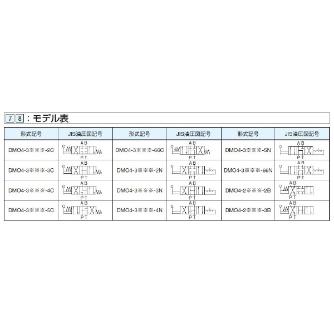
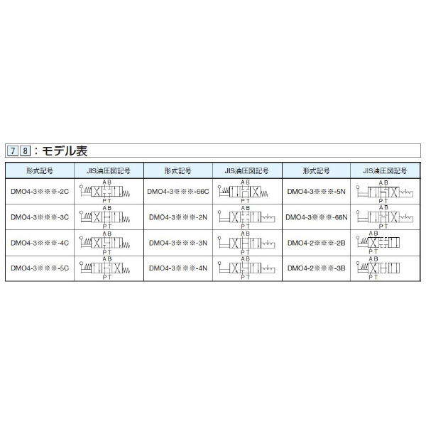
手動操作弁 DMO4-3T03-66C

  • 型番:DMO4-3T03-66C
  • 発注コード:DKH64
  • メーカー商品コード:DMO4-3T03-66C
  • JANコード:―
商品一覧へ
(サイズ・色違いなど)

仕切価格
標準価格 ¥61,400
 
注文単位 1個
  • ※4/29 23:20 時点の情報です


用途
商品説明
  • スプールを手動レバーで直接操作して、油の流れ方向を切り換える方向制御弁です。
  • 高圧時でもレバー操作が容易にできます。
商品スペック
  • 種類:Dシリーズ手動操作弁
  • 接続方法:ねじ接続形
  • 呼び径:3/8
  • 適合流体:石油系作動油/水・グリコール系作動油
  • スプール作動方式:スプリングセンタ形
  • スプール形式:画像を参照してください。
  • 位置数:3位置弁
  • 方向数:4方向弁
注意事項
  • 弁にサブプレートは付属しません。
内容品・付属品
原産国
特記事項

この商品を見た人はこちらの商品も見ています