ダイキン工業(株)

手動操作弁 JM-G02-5C-20

  • 型番:JM-G02-5C-20
  • 発注コード:DKH38
  • メーカー商品コード:JM-G02-5C-20
  • JANコード:―
商品一覧へ
(サイズ・色違いなど)

仕切価格
標準価格 ¥65,200
 
注文単位 1個
  • ※4/29 23:20 時点の情報です


用途
商品説明
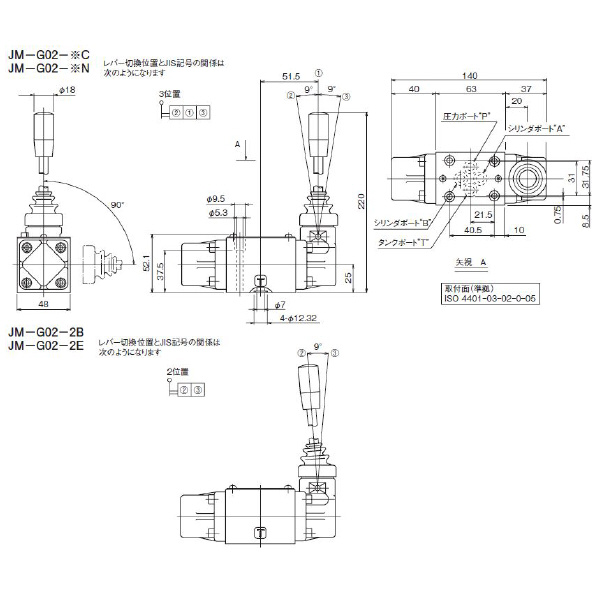
  • スプールを手動レバーで直接操作して、油の流れ方向を切り換える方向制御弁です。
  • 02サイズスタック弁と組み合わせて、各種の回路を構成できます。
商品スペック
  • 種類:Jシリーズ手動操作弁
  • 接続方法:ガスケット取付形
  • 呼び径:1/4
  • 適合流体:石油系作動油/水・グリコール系作動油
  • スプール作動方式:スプリングセンタ形
  • スプール形式:[5]モデル表参照
  • オプション記号:レバーAポート側
  • デザイン番号:20
注意事項
  • 弁にサブプレートは付属しません。
内容品・付属品 ●六角穴付ボルト(M5×45)×4本
原産国
特記事項

この商品を見た人はこちらの商品も見ています