ダイキン工業(株)

デセラレーション弁 DDC-G06-2

  • 型番:DDC-G06-2
  • 発注コード:DKH08
  • メーカー商品コード:DDC-G06-2
  • JANコード:―
商品一覧へ
(サイズ・色違いなど)

仕切価格
標準価格 ¥91,100
 
注文単位 1個
  • ※5/14 23:30 時点の情報です


用途
商品説明
  • 適当なカム機構により、プランジャのストロークを調整し、シリンダ等の加減速操作を行うことができます。
商品スペック
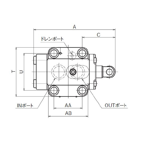
  • 種類:Dシリーズデセラレーション弁
  • 接続方法:ガスケット取付形
  • 呼び径:3/4
  • 適合流体:石油系作動油/水・グリコール系作動油
  • スプール作動方式:ノーマルクローズ形
  • 最高使用圧力(MPa[kgf/cm2]):14[140]
  • 最大流量(L/min):75
  • クラッキング圧力(MPa[kgf/cm2]):0.05[0.5]
  • 操作力(N[kgf]):約300[30]
  • ストローク(mm):12
  • 質量(kg):7
注意事項
  • ドレン配管は、他のタンク配管と合流せず、直接タンクへ接続してください。
  • カムの傾斜角は30°以下にしてください。
内容品・付属品 ●六角穴付ボルト(M12×90)×4本
原産国
特記事項

この商品を見た人はこちらの商品も見ています