ダイキン工業(株)

減圧弁 JGB-T10-3-11

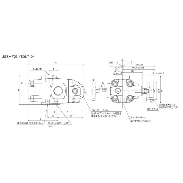
  • 型番:JGB-T10-3-11
  • 発注コード:DKC75
  • メーカー商品コード:JGB-T10-3-11
  • JANコード:―
商品一覧へ
(サイズ・色違いなど)

仕切価格
標準価格 \123,000
 
注文単位 1個
  • ※12/09 23:30 時点の情報です


用途
商品説明
  • 一部の油圧回路の圧力を、主回路よりも低く設定する場合に使用します。
  • 1次側主回路の圧力が変化しても、2次側圧力は一定に保たれます。
  • ベントポートにリモートコントロール用リリーフ弁を接続すれば、遠隔操作で圧力を制御することができます。
商品スペック
  • 種類:Jシリーズ減圧弁
  • 接続方法:ねじ接続形
  • 呼び径:1 1/4
  • 適合流体:石油系作動油、水・グリコール系作動油
  • チェック弁記号:チェック弁無
  • デザイン番号:11
  • 圧力調整範囲:3.5~21MPa(35~210kgf/cm2)
注意事項
  • ドレン配管は、他のタンク配管と合流せず、直接タンクへ接続してください。
  • 良好な減圧性能を得るために、1次側主回路と2次側減圧回路の圧力差は1MPa(10kgf/cm2)以上にしてください。
内容品・付属品
原産国
特記事項

この商品を見た人はこちらの商品も見ています