(株)ムラキ

MRA ERスプリングコレット MRA-ERC11.0200

  • 型番:MRA-ERC11.0200
  • 発注コード:DHS65
  • メーカー商品コード:261AC110200
  • JANコード:4526587380077
商品一覧へ
(サイズ・色違いなど)

仕切価格
標準価格 \4,700
 
注文単位 1個
  • ※12/19 23:30 時点の情報です


用途
商品説明
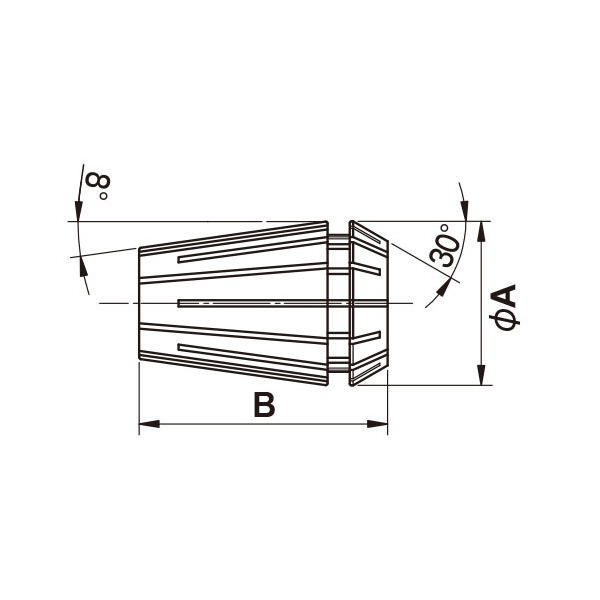
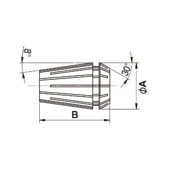
  • AA級(UP級)で揃えており、芯振れ精度は5μm以内の高精度です。
  • ヨーロッパで標準の16°テーパーコレット(片角8°)DIN6499/ISO15488。
  • コレットサイズはER8、ER11、ER16、ER20、ER25、ER32、ER40の7種類。
商品スペック
  • コレット長さ(mm):18
  • コレット外径(mm):11.5
  • 把握径(mm):1.5~2.0(h6)
注意事項
  • ツールのチャッキング時は最大把持径での使用を推奨します。
  • 最小把持径でご使用時は、シャンク径公差h6のツールをご使用ください。
内容品・付属品
原産国
特記事項

この商品を見た人はこちらの商品も見ています